走进恒河
新闻信息
产品与服务
质量体系
技术实力
联系我们
English
走进恒河
新闻信息
产品与服务
质量体系
技术实力
联系我们
English
News center
新闻中心
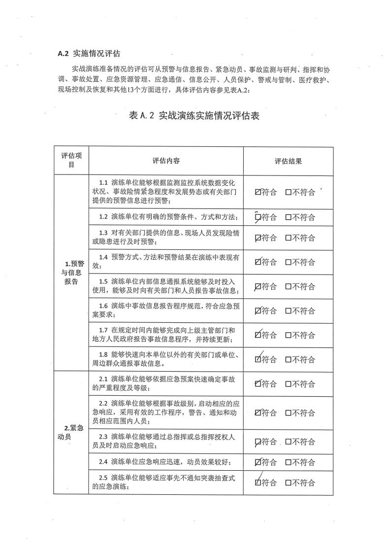
突发环境事件应急预案及演练情况公示
浏览次数:
日期:
2023年09月15日 11:58
上一篇:
恒河(南京)材料科技有限公司2022年12月自行监测公示
上一篇:
恒河(南京)材料科技有限公司2022年12月自行监测公示
所属类别:
公司要闻
该资讯的关键词为: