Warning: mysql_fetch_array() expects parameter 1 to be resource, boolean given in C:\wwwroot\yg.tongqi.net\include\mysql.php on line 31
恒河(南京)材料科技有限公司2022年7月自行监测公示_恒河(南京)材料科技有限公司


News center

新闻中心

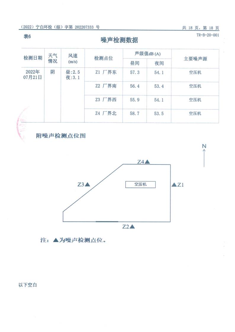
恒河(南京)材料科技有限公司2022年7月自行监测公示

浏览次数: 日期:2022年08月26日 09:03

恒河(南京)材料科技有限公司2022年7月自行监测公示_00.jpg


上一篇:没有了!

下一篇:

所属类别: 公司要闻

该资讯的关键词为: